Página 3 de 4
Re: ¿Se puede conectar un Ps3 o Xbox 360 a un monitor Arcade
Publicado: Vie Jul 26, 2013 8:58 pm
por Eve
He visto en varios foros y sitios, que conectan el play 2 directo al chassis por la señal RGB, en algunos casos recomiendan separar las sincronias (eso está detallado en gamesx). En fin, no se si ssea malo hacer esto directamente, no quiero dañar mi chassis

Re: ¿Se puede conectar un Ps3 o Xbox 360 a un monitor Arcade
Publicado: Vie Jul 26, 2013 10:09 pm
por Artemio
no se daña, pero no es la señal de video ideal porque los niveles arcade y los niveles caseros son distintos. La solución ideal es esta, no le tienes que ocmprar su producto, pero es la solución más sencilla. El documenta todo en dominio publico.
http://etim.net.au/scart2arcV20_orders/orders.htm
Re: ¿Se puede conectar un Ps3 o Xbox 360 a un monitor Arcade
Publicado: Vie Jul 26, 2013 10:27 pm
por Eve
Desde cuando quiero esa plaquita, sin duda está en mi lista de deseos

gracias por la respuesta Artemio
Re: ¿Se puede conectar un Ps3 o Xbox 360 a un monitor Arcade
Publicado: Sab Jul 27, 2013 1:55 am
por Artemio
Cuando digo que no es ideal, y me refiero a los niveles significa que el voltaje es más bajo, y por lo mismo la señal se puede ver deslavada o tenue. Dependerá del chassis y su circuitería el como se vea.
Usar un LM1881 para separar la sincronía sólo sería necesario si el chassis así la necesita.
Re: ¿Se puede conectar un Ps3 o Xbox 360 a un monitor Arcade
Publicado: Mar Ago 06, 2013 6:47 pm
por Eve
Conecté el play y los colores se ven muy tenues y aunque se aprecian los 3 simpre predomina uno. Me parece que mi solución será comprar esa plaquita para amplificar la señal RGB.
Existe alguna consola que sin esta placa se vea desentemente?
La verdad el play 2 si se ve muy feo, les dejo una imagen.
Re: ¿Se puede conectar un Ps3 o Xbox 360 a un monitor Arcade
Publicado: Mar Ago 06, 2013 10:47 pm
por Artemio
Como te mencioné arriba, es tema de estándares. Los niveles de voltaje son distintos entre consolas y Arcades. Por lo mismo, todas las consolas se verán más o menos igual que tu ps2.
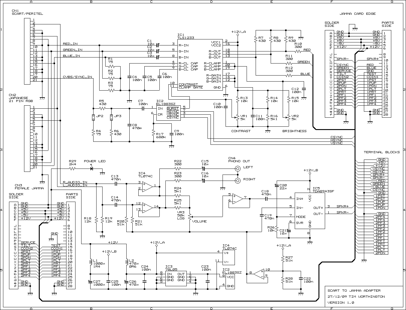
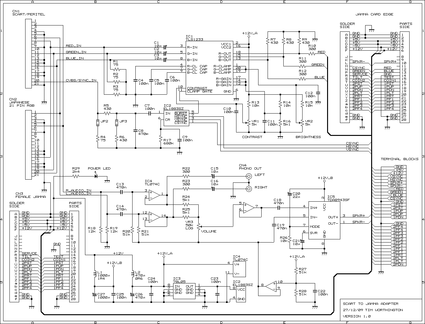
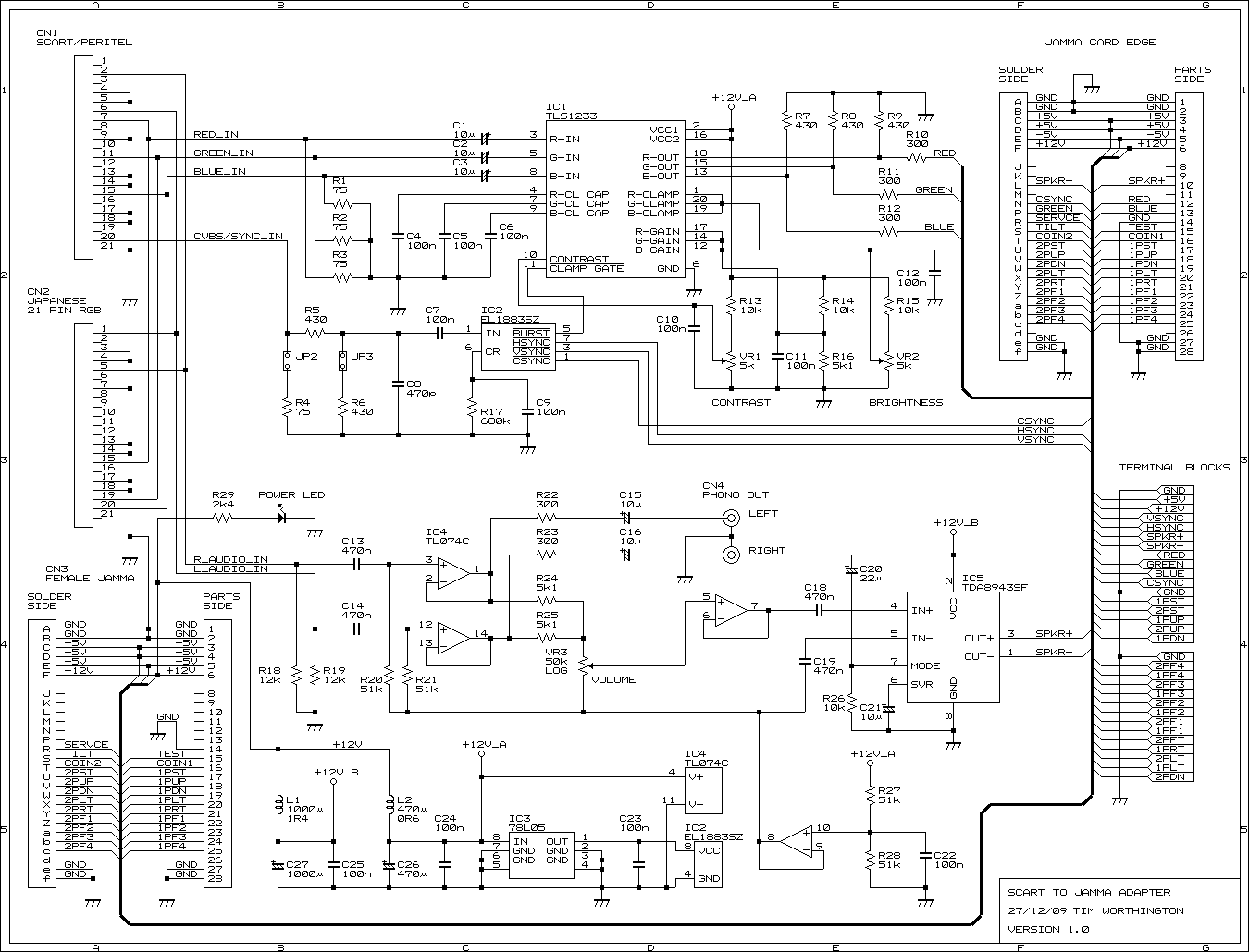
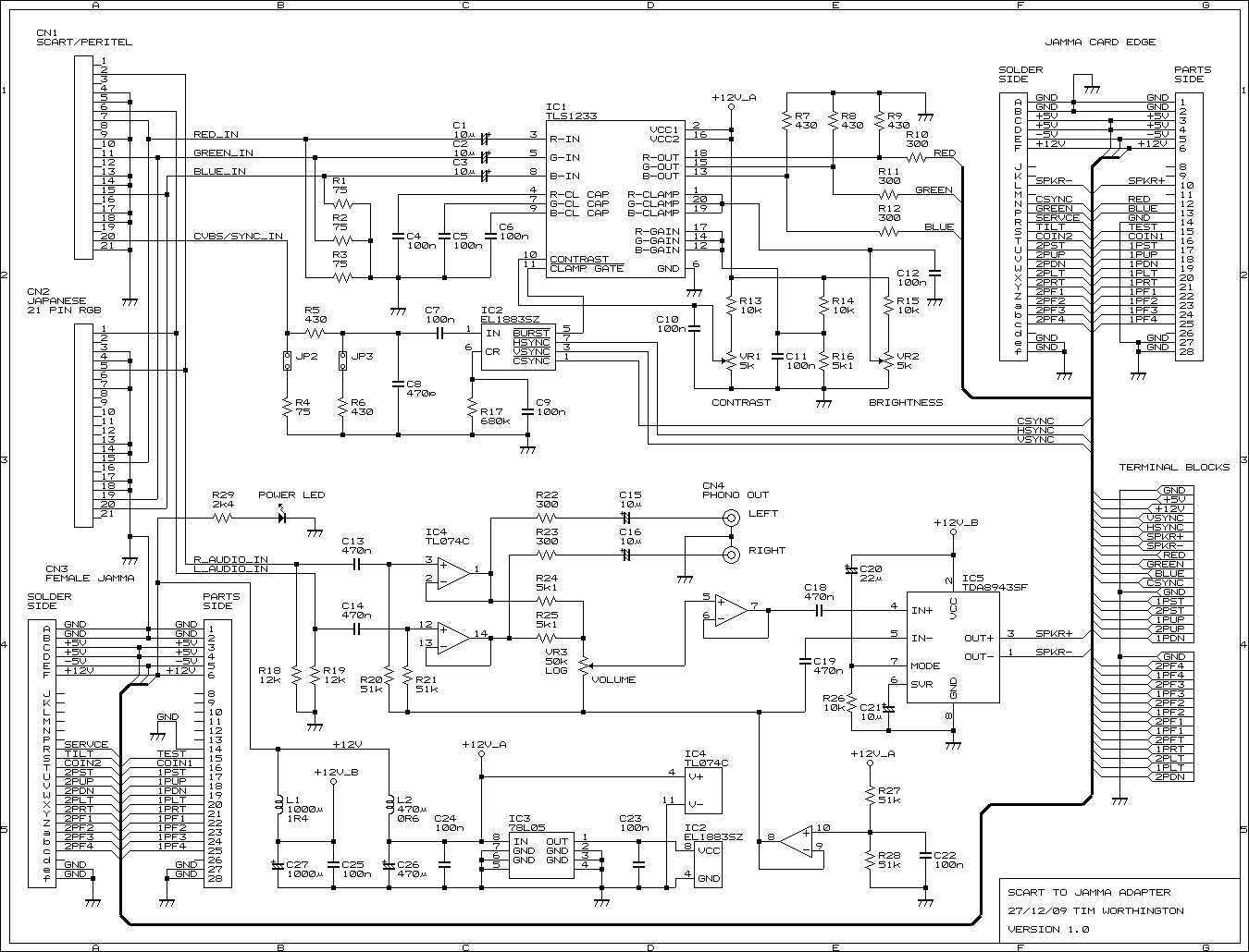
Acá te dejo la página original del amplificador de video:
http://members.iinet.net.au/~stinkyfist ... rt2arc.htm esa versión es la que yo tengo. Te lo dejo puesto que tiene el diagrama completo, el cual sirve para darle servicio o qu etu armes una para tí:

- scart2arc_circuit.png (21.9 KiB) Visto 5219 veces
Re: ¿Se puede conectar un Ps3 o Xbox 360 a un monitor Arcade
Publicado: Sab Ago 24, 2013 9:45 pm
por Eve
Hola a todos, tengo un par de dudas, he querido conectar mi ps3 al monitor por vga pero no tuve éxito simplemente convirtiendo un cable de componentes a vga, en fin, pues he visto que venden unos cables ya hechos pero no se si funcionen puesto que se supone, es lo que yo hice, igual hay otro que se supone convierte hdmi a vga. Suponiendo que se puede, la imagen no debe ser muy buena verdad? Soy insistente en este tema porque todos mis juegos de pelea los tengo en ps3 y no quiero tener que volver a comprarlos para 360, además de que la versión de ketsui de ps3 sí es región libre (maldito bloqueo de regiones, lo odio)
Estos son:
http://articulo.mercadolibre.com.mx/MLM ... y-lcds-_JM
http://articulo.mercadolibre.com.mx/MLM ... 60-ps3-_JM
Re: ¿Se puede conectar un Ps3 o Xbox 360 a un monitor Arcade
Publicado: Sab Ago 24, 2013 11:11 pm
por Artemio
El PS3 no soporta VGA nativo, asi que forzosamente se tiene que convertir o usar un monitor que acepte Sync on green (que es componentes via VGA). Si no te funcionó, no va a servir con estso métodos simples. Necesitas un convertidor activo, y de por si el ps3 tiene un par de cuadros de lag via HDMI por el frame buffer en estos juegos (es natural de las consolas de nueva generación) más lo que se necesita de convertir a VGA...
La verdad, no vale la pena.
Re: ¿Se puede conectar un Ps3 o Xbox 360 a un monitor Arcade
Publicado: Dom Ago 25, 2013 1:21 am
por Eve
Ya veo, dejaré el tema en paz, el 360 via vga lo hace muy bien, seguiré por ahí, a como está la industria actual, un 360 japones me haría más feliz

Re: ¿Se puede conectar un Ps3 o Xbox 360 a un monitor Arcade
Publicado: Jue Sep 26, 2013 11:06 am
por kingsayd
Bueno, para mi gusto, no considero conectar consolas de ultima generación en pantallas arcades, por la calidad de video que estas entregan, pero para conocer hasta que punto podemos llegar con estas maquinas esta buenísimo sabe ¡¡¡, considero usar consolas con baja resolución y aprovechar la señal nativa que estas entregan para la conexión a pantalla Arcade, ya sean SNES, PSX, N64, DC, etc, etc, etc.... yo tengo consolidada una Snes en mi maquina arcade...desarme unos controles alternativos y los meti donde de ella, le puse una placa JAMMA y a hora es igual que Master NEO-Geo, solo la conecto, le pongo el juego y listo ¡¡, me gustaría hacer lo mismo con PS1 que tengo en la mira... y poder jugar Mortal 4, Tekken, etc... me encantan ¡¡¡, ademas mis hijos se quedaron con la Tv. es por eso que uso mi arcade para estos fines ¡¡¡, jejejeje.... me falta poner un sintonizador para ver TV en ella y estamos ¡¡....
Salu2 y suerte ¡¡..