Página 4 de 4
Re: ¿Se puede conectar un Ps3 o Xbox 360 a un monitor Arcade
Publicado: Jue Sep 26, 2013 12:10 pm
por Eve
Para lo que juego en mi 360 que solo son shooters de cave, me viene de lujo conectarlo en un crt aunque sea de pc por 480p, si bien es cierto que no es lo óptimo, resulta una gran opción si no se puede tener las pcb's, tampoco será pixel perfect, pero con un generador de scanlines ya se ve decentemente y los ports son buenos, por ende se juegan bien

Y sí, comparto tu opinión con respecto a juegos de última generación, aprendí mi lección queriendo jugar street fighter 4 en el hantarex, se ve precioso eso si, pero son complicaciones que al final me terminé cuestionando si valían la pena, mejor dejaré el hantarex en mi dynamo con street fighter 2 en 240p que se ve increíble y listo, para el street fighter 4 tengo otros planes a futuro

Re: ¿Se puede conectar un Ps3 o Xbox 360 a un monitor Arcade
Publicado: Dom Dic 29, 2013 10:26 pm
por Eve
Hola a todos, leyendo en foros me volví a animar a conectar mi ps2 a mi arcade directamente, había leido sobre el lm1881, aqui tengo un par de dudas porque no se cuando se necesite ya que mi ps2 no tiene fallas, obviamente que se ve algo oscuro, alguien sabe que falla debe existir para saber si debo ponerle ese circuito? y mi segunda duda, en gamesx mencionan que si agrego capacitores de 220uf a cada linea de rgb en la señal del ps2, ya no se verá oscuro, ademas vi en foros que hay usuarios que hicieron esto y parece que les va bien con la imagen
ACTUALIZO.
Un usuario en arcade otaku le aparecía esta imagen en su monitor sin el circuito
http://www.youtube.com/watch?v=1Wncmu6NCRk
En mi caso no tengo ningún problema similar, solo que se ve un poco oscuro, cosa que en su monitor parece que no, que raro
Re: ¿Se puede conectar un Ps3 o Xbox 360 a un monitor Arcade
Publicado: Lun Dic 30, 2013 12:00 pm
por Artemio
Hola que tal. Te copío el porque se ve obsuro:
Las consolas de video juegos, aunque desde el 88 en adelante soportan y cuentan con cables RGB oficiales en Japón, no utilizan los mismos niveles de voltaje. Por eso mismo se requiere de un amplificador para estas al usarse en un monitor de arcade, pero es posible hacerlo. De la misma manera, una placa arcade puede utilizarse en TVs que acepten RGB o en convertidores de video para consola, poniendo unas resistencias en sus lineas RGB para bajar los niveles.
(De
mi post en este thread)
La verdad no sé si con los capacitores baste, pues hast adonde entiendo sirven como filtros en este tipo de aplicación. La solución ideal es un amplificador que suba lso niveles a donde el arcade los necesita. Yo uso este:
http://etim.net.au/scart2arcV20_orders/orders.htm Y se que también el de ultimarc que había peusto funciona bien, este último lo uso en mi mod RGB de PPU al NES, y en arcade funciona muy bien. Al usarlo en TV necesita resistencias de 220ohms para bajar a niveles de TV.
Si pones los capacitores, no pasará nada malo. Sólo fíjate bien en la polaridad requerida puesto según recuerdo se usan electrolíticos.
El LM1881 sólo se utiliza para problemas de sincronía, en este caso no te servirá de nada. Es para problemas como los del video que pones.
Re: ¿Se puede conectar un Ps3 o Xbox 360 a un monitor Arcade
Publicado: Lun Dic 30, 2013 3:54 pm
por Eve
Ya le puse los capacitores en base a una imagen que vi en un foro, el negativo hacia el cable de ps2 y el positivo hacia el cable a jamma, use capacitores de 220 uf 25v, tengo mis dudas sobre si es el voltaje correcto, si tiene que ser un capacitor con mayor voltaje o si los puse alrevés. No creo que se haya aclarado mucho la imagen
Artemio este es el amplificador que usas con tu nes?
http://www.ultimarc.com/vidamp.html
Podría servirme para mi ps2? La verdad está a muy b

buen precio, ese si podría pedirlo sin problema
Pd. Se lo de los niveles de voltaje en video entre casero y arcade, es solo que antes de gastar suelo ser necio y ver si puedo evitarlo

agradezco tu paciencia Artemio

Re: ¿Se puede conectar un Ps3 o Xbox 360 a un monitor Arcade
Publicado: Lun Dic 30, 2013 4:16 pm
por Artemio
Sí, ese es el que tiene mi NES.
El voltaje del capacitor es efectivamente muy importante, siemrpe se debe usar uno con voltaje superior al necesario si no hay uno del valor requerido. Pero en tu caso estoy completamente seguro que 25v sobrepasa por mucho el requerimiento, por lo que no causará problema alguno.
Nos cuentas que tal te fue con el mod.
Re: ¿Se puede conectar un Ps3 o Xbox 360 a un monitor Arcade
Publicado: Lun Dic 30, 2013 6:06 pm
por Eve
No pues me fue mal, no hay mejora en la imagen

Pero parece indicar que ese amplificador de ultimarc me servirá bien, me animaré a pedirlo

Como haré una modificación en los conectores del rgb al vga de esta tarjeta, los 5 volts los tengo que sacar de mi cable de ps2 verdad?
Re: ¿Se puede conectar un Ps3 o Xbox 360 a un monitor Arcade
Publicado: Lun Dic 30, 2013 7:34 pm
por Artemio

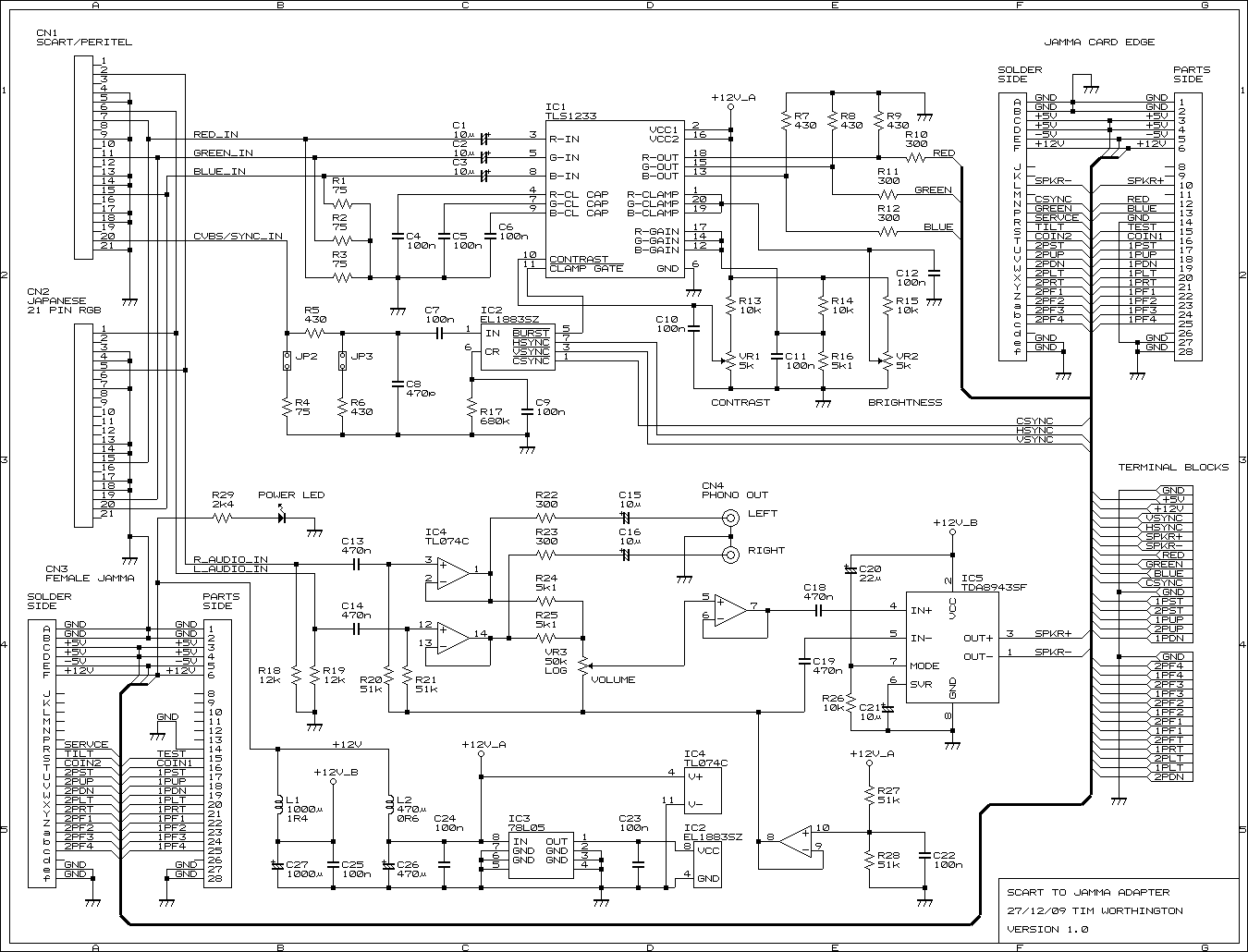
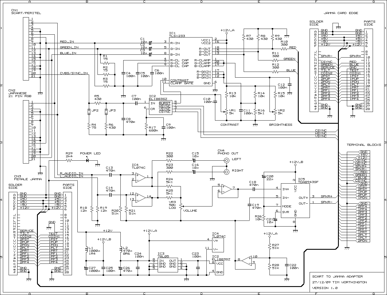
- scart2arc_circuit.png (21.9 KiB) Visto 4619 veces
Sólo como detalle extra, si prefieres arma el amplificador por ti mismo. Puedes usar el amplificador diseñado por Tim (el de la revision 1 de aca
http://etim.net.au scart2arcV20_orders/orders.htm)
Re: ¿Se puede conectar un Ps3 o Xbox 360 a un monitor Arcade
Publicado: Lun Dic 30, 2013 8:23 pm
por Eve
Creo que redacté mal mi duda, usaré mi cable de ps2 que ya está desarmado, solo la señal de video la pondré en un db15 para conectarla en el amplificador de video de ultimarc, pero para alimentar el circuito es necesario agrager los 5 volts desde el cable de ps2 o no?
sí compraré ese amplificador, si dices que tu nes se ve bien en tu arcade y por 20dls, pues me parece una gran opción
para el audio ya tengo un amplificador pequeño que da stereo y lo conecto a la impress sin problemas.
Re: ¿Se puede conectar un Ps3 o Xbox 360 a un monitor Arcade
Publicado: Lun Dic 30, 2013 9:54 pm
por Artemio
asì es, necesita slos 5 volts, la tierra y los tres colores. El sync lo puedes pasar directo.
Ese ampli de vidoe no esta hecho especificamente para amplificar niveles de consola a JAMMA, más bien niveles de tarjeta de video de PC a JAMMA... pero si funciona bastante bien. A mi NES le puse resistencias de 220 ohms para usarlo en TV normal, pero se veía bien en el CRt antes de eso.
Re: ¿Se puede conectar un Ps3 o Xbox 360 a un monitor Arcade
Publicado: Lun Dic 30, 2013 10:22 pm
por Eve
Perfecto, pediré uno para conectar mi ps2 a uno de mis gabinetes
Lo malo es que apenas me di cuenta de que hacen envíos hasta enero jaja, por lo menos ya aclaré dudas, gracias por responder Artemio
