Página 1 de 3
Nes Rgb Front Loader en Monitor Arcade
Publicado: Dom May 29, 2016 11:49 am
por Arodi
Que tal compañeros, espero puedan ayudarme con este tema, el día de ayer me llego el kit rgb para mi nes front loader, lo instale según el tutorial, el cual me pide sacar tanto las señales de video así como el voltaje +5v al conector mini din rgb de 8 pines así como se muestra en la imagen.
La cuestión es que no se a donde voy a conectar ese voltaje de +5v si mi monitor arcade solo trae conexión de rgb, sincronía y tierra, esos 5 volts no se a donde tienen que ir.
Yo conecte mi nes en mi monitor arcade y la imagen se ve bien pero a los colores les falta más intensidad más contraste, y creo que es por que faltan los +5v.
Re: Nes Rgb Front Loader en Monitor Arcade
Publicado: Dom May 29, 2016 3:01 pm
por Artemio
Los 5 volts son para otros aparatos. En este caso no lo necesitas.
El problema que tienes Es porque un monitor arcade no usa el mismo nivel de señal de video que una consola casera.
Lo puedes convertir con un adaptador o circuito como el que hace el mismo Tim:
http://etim.net.au/scart2arcV20_orders/orders.htm
También, en un monitor arcade las pcbs no suelen usar video compuesto como sincronía. Para mayor compatibilidad usa CS#. Esto solo eliminaría ruido, si es que hay, no cambiaría los niveles rgb que es lo que mencionas.
Re: Nes Rgb Front Loader en Monitor Arcade
Publicado: Dom May 29, 2016 4:23 pm
por Arodi
Ok gracias por tu respuesta Artemio, me pregunto si con el amplificador THS7314 se podría soluciónar el problema.
Re: Nes Rgb Front Loader en Monitor Arcade
Publicado: Dom May 29, 2016 6:48 pm
por Artemio
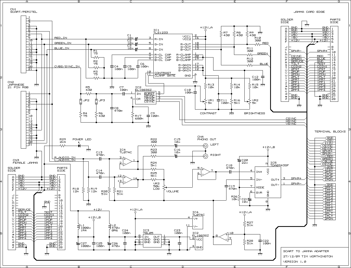
No, el THS7314 se usa para amp´lificar para NTSC (niveles de video de TV/PVM), acá necesitas niveles de arcade. Al ser una aplicación tan específica - conectar una consola via RGB a un monitor arcade - el hardware de Tim es el único diseño que yo conozco disponible.
Acá te dejo el diseño de su circuito:

- scart2arc_circuit.png (21.9 KiB) Visto 7064 veces
Como puedes ver es un TLS1233, que es un preamplificador RGB.
http://www.ti.com/lit/ds/symlink/tls1233.pdf
El el1883 lo puedes ignorar en tu caso pues tu monitor funcionó con composite video as sync, ¿no? Además tienes CSync desde el NESRGB. El amplificador de audio si lo necesitarías para usar la bocina de tu gabinete, si no tiene uno ya integrado.
The third and most complicated circuit is for anyone wanting to connect RGB SCART devices such as video game consoles, DVD players and 80's microcomputers to an arcade monitor. The SCART video differs from the PC video in that it is AC coupled, meaning that there is no DC component in the video signal. If this AC coupled video was to simply be amplified and fed to the input of the monitor then the resulting picture brightness would vary with the picture content. To fix this the signal is clamped to a fixed reference voltage before it's amplified. The way the sync signals are obtained is different too. In this case the sync signals have to be stripped off a composite video signal before being separated into horizontal and vertical TTL compatible sync signals (that the monitor wants)
source:
http://members.optusnet.com.au/eviltim/ ... ga2arc.htm
Re: Nes Rgb Front Loader en Monitor Arcade
Publicado: Dom May 29, 2016 8:46 pm
por Arodi
Así es mi monitor si acepta el compositive video as sync, el audio no es problema de hecho tengo una pequeña fuente para amplificar el sonido, el problema es el video, si se ve bien pero le falta más poder a los colores, realmente voy a meditar mucho sobre el circuito de Tim ya que es otro gasto que tendría que hacer, si lo llego a comprar ya les estaré informando, nuevamente gracias por tu respuesta.
Re: Nes Rgb Front Loader en Monitor Arcade
Publicado: Dom May 29, 2016 11:01 pm
por Artemio
Yo lo tengo y funciona de maravilla. De igual manera puedes armarlo con ese diagrama, sólo la parte del amplificador de RGB ignorando el sync.
Re: Nes Rgb Front Loader en Monitor Arcade
Publicado: Mar May 31, 2016 9:03 pm
por Arodi
Realmente soy malo para hacer un circuito como ese, para mi seria mas fácil comprarlo.
Tu podrías hacer ese circuito Artemio y si es que puedes en cuanto saldría?
Saludos
Re: Nes Rgb Front Loader en Monitor Arcade
Publicado: Mar May 31, 2016 9:09 pm
por Artemio
No me dedico a eso Arodi, pero si lo analizas no es más difícil que el del ths7314 que pensabas usar. Es mucho más difícil instalar un NESRGB, qués armar un circuito así.
Si no, Tim lo vende.
Re: Nes Rgb Front Loader en Monitor Arcade
Publicado: Mar May 31, 2016 11:16 pm
por Arodi
Ya lo cheque y si esta super sencillo, no había visto que las otras etapas no son necesarias y lo veía complicado para diseñar la placa fenolica, pero lo voy a armar provisionalmente y si queda bien ya hago un diseño, ya les estaré comentando resultados.
Gracias Artemio
Re: Nes Rgb Front Loader en Monitor Arcade
Publicado: Jue Jun 02, 2016 5:34 pm
por Arodi
Ya fabrique el pequeño circuito pero tengo problemas, la imagen se ve en blanco y negro y los potenciómetros no funcionan, agregó que los +12v que alimentan al chip tls1233n en los pines 2 y 16 los agarro directamente de la fuente de la maquina así como la tierra, la sincronía y la tierra de video las agarre directamente del nesrgb kit, y se ve blanco y negro.