Artemio escribió: ↑Vie Dic 10, 2021 8:03 pm
Que tal, esto es sólo deducción por el tamaño de RAM necesario. La Neo Geo normalmente lleva dos RAMS de 8192 de 8 bits para CRAM, y las RAMS 9 y 10 son las que cumplen esto. Lo ideal sería que con tu punta lógica y osciloscopio revisaras sus lineas de acceso, para garantizar que son estas, y si es la 10 en particular o las lineas que llevan a ella.
Hola Artemio que tal muchas gracias por tu ayuda revisando linea por linea encontré dos líneas de I/O de la RAM10 que no tenían continuidad y ya no aparecen los mensajes de error de RAM, muchas gracias
No es estéticamente bonito pero funciona
Sin embargo ahora enfrento un nuevo problema

espero la comunidad me pueda ayudar, ahora los juegos bootean y entra al menú de servicio, pero los sprites se ven desfasados y no tenemos audio

por error moví un capacitor electrolítico con el dedo y algunos sprites se corrigieron por lo que pienso que el siguiente paso es cambiar los electrolíticos y revisar el circuito de audio, si tienen alguna idea de que otra cosa podría revisar se los agradecería mucho
aprovechando el post me gustaría postear algunos apuntes que realice durante la revisión que realice de las RAMS

espero sean de alguna utilidad:
Tomando como referencias los schematics de la Wiki de desarrollo de NoeGeo (
https://wiki.neogeodev.org/index.php?title=Schematics )
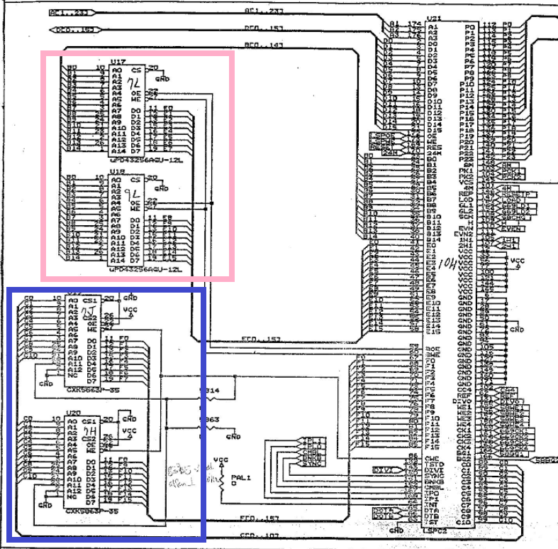
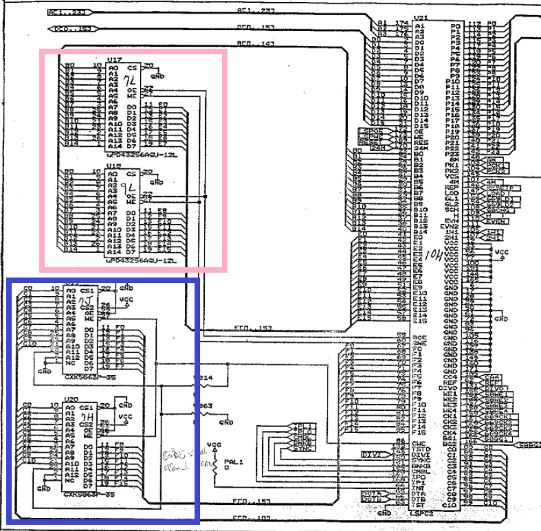
El chip LSPC2 que es uno de los encargados de controlar los sprites es donde estan conectados la VRAM que son los chips RAM 7 y 8 (SONY CXK5814P-35L) mostrados en el rectángulo azul, que se conectan a los puertos C y F del controlador de sprites en los esquemáticos hace referencia a otro modelo de RAM (CXK5663P) el cual tiene dos direcciones adicionales los cuales no se utilizan ya que se conectan a GND por lo que las 5814 son mas que suficiente. Al igual el LSPC tiene conectadas las RAMS 5 y 6 que son RAMS conectadas el puerto de B y E, mostrados en el rectángulo rosa.

- VRAM-SCH.png (449.98 KiB) Visto 19546 veces
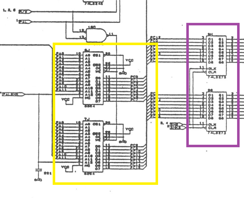
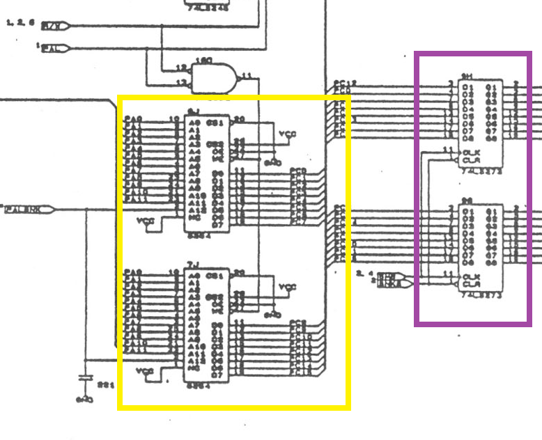
las RAM 9 y 10 son las RAMs que controlan las paletas de colores mostradas en el rectángulo amarillo, van conectadas unos 74LS273 cercanos al conector jamma que van al DAC de RGB, mostradas en azul.

- Palette_RAM_SCH.png (258.14 KiB) Visto 19546 veces
Igualmente note que hay unos capacitores en la parte de abajo que no cuadran con el tamaño

, están marcados como "PC" estuve buscando en los schematics alguna referencia para ver el valor y reemplazarlo pero no encontré ninguna por lo que lo dejare así de momento