[Restauración] Capcom Q-GrandAm 25
Reglas del Foro
Las reglas son muy sencillas. Por favor abstengase de postear acerca de copias piratas, descargas ilegales, enlaces, etc. Lo mismo aplica a material ofensivo, es decir, fuera de contexto o inapropiado.
Todo lo demás está permitido siempre y cuando no se esté ofendiendo a alguien más de manera directa e intencional. Por lo mismo no se permite insultar a otras personas.
Cualquier violación a éste reglamento, resultará en un ban permanente.
Las reglas son muy sencillas. Por favor abstengase de postear acerca de copias piratas, descargas ilegales, enlaces, etc. Lo mismo aplica a material ofensivo, es decir, fuera de contexto o inapropiado.
Todo lo demás está permitido siempre y cuando no se esté ofendiendo a alguien más de manera directa e intencional. Por lo mismo no se permite insultar a otras personas.
Cualquier violación a éste reglamento, resultará en un ban permanente.
Re: [Restauración] Capcom Q-GrandAm 25
En realidad toda la estructura es de madera, el plástico blanco es una carcasa que se sujeta con algunos tornillos.
- Jahaziel
- Mensajes: 166
- Registrado: Sab Abr 06, 2013 7:51 pm
- Cuenta de Twitter: @Jahaz2099
- Ubicación: Querétaro, Qro
- Contactar:
Re: [Restauración] Capcom Q-GrandAm 25
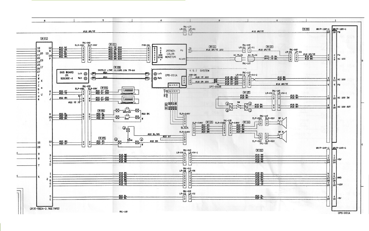
Gracias a Eve consegui parte de los arneses, fuente de poder, amplificador etc, hay varias cosas que no se donde van quisiera que me ayudaran a identificar su posicion den tro de la capcom Q25
- Jahaziel
- Mensajes: 166
- Registrado: Sab Abr 06, 2013 7:51 pm
- Cuenta de Twitter: @Jahaz2099
- Ubicación: Querétaro, Qro
- Contactar:
Re: [Restauración] Capcom Q-GrandAm 25
Nanao MS8-26SG Pondre este Nanao 26, tendré que fabricar extensiones, centrar, colocar, fijar el Nanao MS8-26SG no creo que tenga problemas de interferencia con el mecanismo de rotación.
- Jahaziel
- Mensajes: 166
- Registrado: Sab Abr 06, 2013 7:51 pm
- Cuenta de Twitter: @Jahaz2099
- Ubicación: Querétaro, Qro
- Contactar:
Re: [Restauración] Capcom Q-GrandAm 25
Compre otra Q25, esta maquina venia en mal estado en la parte exterior, pero en excelentes condiciones en sus partes internas
- Jahaziel
- Mensajes: 166
- Registrado: Sab Abr 06, 2013 7:51 pm
- Cuenta de Twitter: @Jahaz2099
- Ubicación: Querétaro, Qro
- Contactar:
Re: [Restauración] Capcom Q-GrandAm 25
Restaure arneses, puse cada componente en su lugar, fuente de poder, amplificador, transformador, monitor, chasis etc


